Sonnenauf- und Sonnenuntergang sowie Mondlicht preiswert selbst gemacht
Hallo,
vor einiger Zeit war ich auf der Suche nach einer günstigen Möglichkeit Leuchtstofflampen automatisch dimmen zu können. Nach längerer Suche kam ich zur Seite von Norbert Geister http://www.norbert-geister.de/seite2.html
Man benötigt neben der Schaltung nur noch ein dimmbares EVG mit 1-10V Steuerspannung.
Die von ihm vorgestellte Schaltung ist sehr einfach gestrickt. Man muss kein ausgebildeter Elektr(on)iker sein, um den Plan technisch umsetzten zu können.
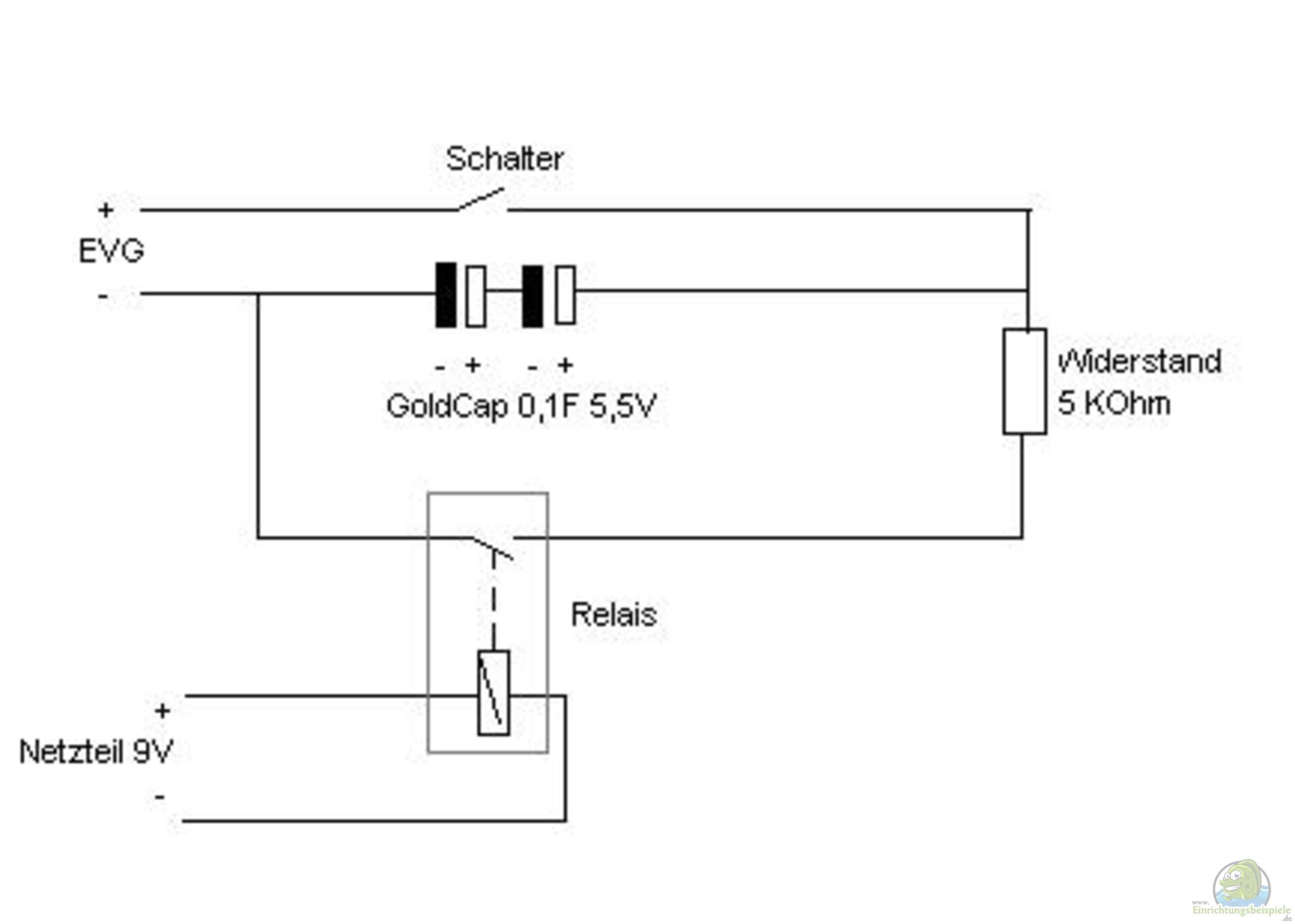
Ich habe die Schaltung allerdings etwas verändert. Das betrifft vor allem das Relais. Ich nutze welche für Niederspannung mit Netzteil, das ist für mich als Nicht-Elektriker wesentlich sicherer.
Falls allerdings noch das Vorschaltgerät getauscht werden muss, da sich noch kein dimmbares EVG in der Lampe befindet, so sollte dies ein Fachmann machen. Bitte denkt daran: Strom kann töten!
Das EVG muss über einen Steuerausgang von 1 bis 10 Volt verfügen (zwei zusätzliche Klemmen am EVG mit Bezeichnung + und ??? sowie einem Potentiometersymbol [Rechteck mit darin schräg liegendem Pfeil])
Diese EVG???s gibt es sogar neu schon recht erschwinglich (unter 50 Euro) und die Bucht hat auch das ein oder andere Angebot parat.
Ich habe die Schaltung nun schon etwa ein Jahr ohne Probleme im Einsatz.
Sie besteht gerade einmal aus 5 verschiedenen Bauteilen und 2 Zeitschaltuhren.
- Netzteil
- Niederspannungsrelais
- Widerstand
- Schalter (optional)
- Kondensatoren
Als Netzteil benutze ich zum Beispiel eins, das Gleichspannung von 10V abgibt (andere Spannungen sind natürlich ach möglich).
Die Erregerspule im Relais sollte die Steuerspannung vom Netzteil gut vertragen (Spannungsart: Gleich- oder Wechselspannung und Spannungshöhe). Ich nutze am 10V Netzteil eins für 24V, da das gerade hier rum lag. Das Relais sollte ein Schlie??er sein, also eins, das bei angezogener Spule die Kontakte miteinander verbindet und bei nicht angelegter Spannung die Kontakte öffnet.
Der von mir genutzte Widerstand hat etwa 5kOhm. Möchte man den Zeitraum des Sonnenuntergangs einstellbar haben, so muss man mit Potentiometern (regelbare Widerstände arbeiten.
Der Schalter ist nicht unbedingt nötig, aber praktisch. Mit ihm kann man die Schaltung deaktivieren und die Lampen ganz normal betreiben. Das ist günstig, wenn mal etwas unvorhergesehendes im Becken passiert um man sofort Licht benötigt. Schalter gibt es auch sehr günstig.
Die Kondensatoren sollten eine gro??e Kapazität aufweisen. Ich nehme GoldCaps mit 0, 1Farad, die für 5, 5V ausgelegt sind. Die Kapazität ist ein Ma?? für die Fähigkeit eines Körpers oder Systems, elektrische Ladung zu speichern und wird in Farad angegeben.
An das Gehäuse werden keine gro??en Ansprüche gestellt, da sie nur dem Schutz der Platine und nicht dem Schutz von Personen dienen (Niederspannung). Man kann also alles, was nicht leitet, verwenden (Eisbecher, Senfbecher usw.)
Es ist günstig, wenn man ein Stück Leiterplatte bereit hält. So ist der Aufbau einfacher und übersichtlicher zu bewerkstelligen. Es sind aber so wenige Bauteile, dass man das auch frei verdrahten kann.
Stückliste:
- zwei Zeitschaltuhren; wenn das Mondlicht die ganze Nacht an bleiben soll, reicht auch eine. Ich habe schon digitale Zeitschaltuhren für unter 5 Euro gesehen.
- ein Netzteil; so etwas fällt eigentlich immer irgendwo ab (alte Mobiltelefone)
- ein (Schlie??er)Relais; gibt es schon für etwa 2 Euro
- einige Stückchen Litze; sollte auch irgendwo im Haushalt zu finden sein
- ein Widerstand mit etwa 5 kOhm (kommt nicht so darauf an); gibt es für etwa 15ct
- ein Gehäuse
- ein Schalter; kostet keine 2 Euro
- zwei GoldCap Kondensatoren mit 0, 1 Farad und für 5, 5 Volt ausgelegt; kosten etwa 3 Euro das Stück
Zusammen macht das etwa 10??? bis 15??? ohne das dimmbare EVG und die Zeitschaltuhren (meist hat man die ja ohnehin)
Funktion:
Der Schalter ist geschlossen. Zeitschaltuhr eins, die über die Netzanschlu??leitung mit dem EVG verbunden ist, ist aus. Es liegt keine Spannung am EVG an.
>>> Die Lampe ist aus.
Zeitschaltuhr zwei, die über das Netzteil mit dem Relais verbunden ist, schaltet ein
>>> Die Spule im Relais zieht an, aber noch immer leuchtet die Lampe nicht.
Zeitschaltuhr eins geht an und das EVG bekommt Spannung.
>>> Die Lampe leuchtet mit etwa 1 bis 3 Prozent (je nach EVG)
Zeitschaltuhr zwei geht aus.
>>> Langsam laden sich die Kondensatoren auf und das Licht wird hoch gedimmt.
Die Kondensatoren sind voll.
>>> Das Licht leuchtet mit 100%.
Zeitschaltuhr zwei schaltet ein.
>>> Das Licht dimmt runter.
Die Kondensatoren sind entladen
>>> Die Lampe leuchtet mit 1 bis 3Prozent
Zeitschaltuhr eins geht aus
>>> Die Beleuchtung ist abgeschaltet.
Bei zwei oder mehr Vorschaltgeräten müssen auch entsprechend viele Schaltungen gebaut werden. Dabei reicht es allerdings, ein Netzteil mit dazugehöriger Zeitschaltuhr zu verwenden. Eine komplette Trennung ist aber von Vorteil, da man so noch mehr Schaltungsmöglichkeiten hat (Regentag >>> eine Röhre soll über Mittag ausgehen, die andere an bleiben usw.).
Bauplan:
Die Drähte der Sekundärspule des Netzteils werden an die Spulenkontakte des Relais gelötet. Nach Einstecken des Netzteils in eine Steckdose sollte die Spule im Relais schalten (schlie??en).
An einen Kontakt des Schalters (für das Abschalten der Regelplatine) wird ein Stück Litze angelötet. Das andere Ende der Litze kommt in die + Klemme am EVG. An den andern Kontakt des Schalters kommt ein Beinchen des Widerstands und dazu auch noch das + Beinchen eines Kondensators. Das ??? Beinchen des Kondensators kommt an das + Beinchen des zweiten Kondensators. Das das zweite Beinchen des Widerstands wird an einen Kontakt des Relais angelötet. An den zweiten Kontakt des Relais kommt das ??? Beinchen des zweiten Kondensators und wieder ein Stück Litze. Das andere Litzenende kommt in die ??? Klemme am EVG.
Fertig.
Sonnenaufgangs- und Sonnenuntergangszeiträume:
Die Länge des Sonnenuntergangs lässt sich über die Grö??e des Widersands regeln. Ideal wäre hier die Verwendung von Potentiometern, dann ist auch nachträgliches Verstellen möglich.
Eine Veränderung des Sonnenaufgangszeitraums ist, so denke ich, nur über die Kapazität der Kondensatoren möglich. Ein verkürzter Sonnenaufgang kann aber nicht durch das Weglassen eines Kondenstors geschehen, so dass nur noch ein Kondensator in der Schaltung ist. Das geht nicht, da die genutzten Kondensatoren nur für 5, 5V ausgelegt sind und das ist zu wenig, da das EVG mit bis zu 10V arbeitet. Wenn zwei Kondensatoren in Reihe geschalten werden, summieren sich die Spannungen auf 11V. Daher müssen immer zwei Kondensatoren verbaut werden. Daneben würde es auch nicht viel bringen, einen Kondensator wegzulassen, da sich in einer Reihenschaltung die Kapazitäten nicht addieren. In einer Reihenschaltung mit Kondensatoren ergibt sich die Gesamtkapazität aus dem Kehrwert der Kehrwerte der Einzelkapazitäten (ich wei??, das hilft jetzt nicht wirklich ;-).
Ein Beispiel: Vier Kondensatoren mit je 0, 1 Farad in Reihe haben eine Gesamtkapazität von 0, 025F. Der Kehrwert von 0, 1 ist 10. Vier mal 10 ist 40. Der Kehrwert von 40, also 1/40, ist 0, 025.
Das hei??t, wenn man die Sonnenaufgangsdauer verkürzen möchte, muss man mehr als zwei Kondensatoren in Reihe verbauen.
Was tun, wenn der Sonnenaufgang länger dauern soll?
Hier muss man die Gesamtkapazität erhöhen. Das kann man entweder über grö??ere Kondensatoren machen oder man liest hier einfach weiter.
In Reihenschaltungen wird mit zunehmender Anzahl an Kondensatoren die Gesamtkapazität kleiner. In Parallelschaltungen addieren sich die Einzelkapazitäten, allerdings bleibt die Spannung bei 5, 5V. Daher muss man eine Mischung aus Reihen und Parallelschaltung nehmen. Zwei Paare parallel geschalteter Kondensatoren werden in Reihe geklemmt. So erhäht man aus 4 Kondensatoren, die für 5, 5V ausgelegt sind und eine Einzelkapazität von 0, 1F aufweisen, eine Gesamtkapazität von 0, 1F, die 11V aushält (zwei 0, 1F in Reihe = 0, 05 F; zwei 0, 05 parallel = 0, 1F).
Wie sind die Dimmzeiten?
Jedes EVG und jede Schaltung verhält sich anders. Selbst bei zwei baugleichen EVG???s und zwei ebenso identisch gefertigten Schaltungen kommen andere Zeiten heraus. Diese Abweichungen sind allerdings vernachlässigbar. Sie stören nicht wirklich. Viel interessanter ist das schon bei zwei verschiedenen EVG???s. Die Schaltung die über meinem Garnelenbecken für einen 1, 5 stündigen Sonnenaufgang sorgt, schafft über dem Malawibecken nur 10min. Daher muss man immer etwas experimentieren, bis man die Richtigen Kennwerte erreicht hat.
Diese Anleitung ist sicherlich nicht fehlerfrei und ich übernehme keinerlei Verantwortung durch Schäden, die durch die Umsetzung auftreten.
Gru??, Tim





