
Blog: Selbstbau einer LED-Beleuchtung leichtgemacht (4018)
* LED-Beleuchtung für Aquarien ist kein Hexenwerk *
In der letzten Zeit macht immer mehr die Beleuchtung per LED in der Aquaristik von sich Reden. Immer mehr Firmen treten auf den Markt mit Ihren eigenen Lösungen. Aber man kann sich eine (RGB-)LED-Beleuchtung auf Ma?? auch sehr einfach selber bauen.
Zuerst möchte ich aber einige Aspekte der LED-Technik beleuchten:
Vorteile der LEDs:
1. Hohe Energieersparnis, ca. 50%.
2. Sehr hohe Lebensdauer von mehr als 50000 Stunden, das macht bei einer durchschnittlichen Beleuchtungsdauer von täglich 10 Stunden ca. 13, 7 Jahre.
3. Kein ständiges Auswechseln der Leuchtstofflampen mehr.
4. Kaum Hitzeentwicklung, kein Brummen und kein Flackern beim Einschalten.
5. LEDs lassen sich mit recht wenig Aufwand sehr gut dimmen.
6. Extrem platzsparend, da sehr flach mit grossem Abstrahlungswinkel.
7. Hervorragende Leuchtkraft, reicht auch für Becken bis zu 80cm Tiefe.
8. 100% Sicherheit durch 12V oder 24V Kleinspannung.
9. Hohes Farbspektrum (hoher Blau-, weniger Rot-Anteil, ohne UV-Strahlung),
dadurch präsentieren sich unsere Fisch und Pflanzen in ihrer natürlichen Schönheit.
10. Umweltfreundlich, kein Quecksilber und niedrigerer Stromverbrauch.
Arten der LEDs:
In der Süsswasseraquaristik werden zur Zeit hauptsächlich die sogenannten LED-Stripes eingesetzt, in der Seewasseraquaristik meistens Cree-LEDs (Cree ist dabei der Name eines der bekanntesten Hersteller) mit sehr hoher Leistung und sehr grosser Lichtausbeute, vor allem im blauen Bereich. Ich möchte zuerst mal den Bereich der Süsswasser-Aquaristik beleuchten, das Gebiet Beleuchtung für Seewasser folgt evtl. später mal.
Die LED-Stripes gibt es mittlerweile in verschiedenen Ausführungen, was die Anzahl der LEDs pro Meter angeht, je nachdem, welche Leuchtkraft benötigt wird. Es gibt sie zu 30, 48, 60 und mittlerweile auch 120 LEDs pro Meter.
Hierbei gilt aber: Je mehr LEDs pro Meter eingesetzt werden, desto höher natürlich auch der Stromverbrauch, aber auch die Lichtausbeute.
Ausserdem gibt es die LED-Sripes in verschiedenen Lichtfarben, wie z.B.: Kaltweiss (Coolwhite, CW), Warmweiss (Warmwhite, WW) und natürlich als RGB-LED-Stripes mit 3 Farben pro LED ( Rot / Grün und Blau). Damit lassen sich bis zu 1, 7 Millionen Farbtöne generieren.
Mittlerweile gibt es aber auch noch die Magic RGB-LED-Stripes (digital), hierbei können mittels einer ausgefeilten Elektronik ganze Laufbänder mit verschiedensten Farben in einem einzigen Stripe erzeugt werden.
Diese könnten natürlich mit der passenden Programmierung dazu eingesetzt werden, das Aquarium in den verschiedensten Zonen unterschiedlich zu beleuchten, z.B. ??bergänge von Nacht zum Sonnenaufgang, oder Schatten und Wolkensimulationen.
Dann gibt es natürlich noch die LED-Streifen in den Farben Rot, Grün, Blau, Gelb, usw. . Diese kann man sich natürlich für eine einfache Nachtbeleuchtung, oder für Sonnenauf.- und Untergangssimulation zu Nutze machen, wie es z.B. auch die Sunrise-Lichtsteuerung macht.
Die heutigen LED-Stripes weisen ein sehr ausgeglichenes Farbspektrum auf, welches dem Pflanzenwachstum und dem Wohlbefinden der Fische dienlich ist und dem Algenwachstum entgegen wirkt. Es hat sehr wenig bis gar keinen UV-Anteil und
einen niedrigeren Rotanteil.
Pflanzen mit einem sehr hohem Lichtbedarf benötigen in jedem Fall LED-Stripes mit 120 LEDs/m, oder evtl. auch mehrere Stripes. Bei sehr lichthungerigen Pflanzen im Aquarium sollte die Anzahl der Leuchtstofflampen evtl. gegen eine gleiche Anzahl von LED-Balken ausgetauscht werden. Bei einem Malawi-Becken mit wenigen, nicht so lichthungerigen, oder auch gar keinen Pflanzen spielt die Stärke der Beluchtung kaum eine Rolle.
Des weiteren gibt es die Stripes noch in 2 verschiedenen Ausführungen:
Zum 1. wären da die flexibelen LED-Streifen, nicht wasserdicht. Um diese in der Aquaristik einzusetzen, müssen diese nach dem Einbau irgendwie wasserdicht gekapselt werden, evtl. durch ein spezielles Gehäuse, eine zusätzliche Glasabdeckung, o.ä.. Ausserdem gibt es noch die Möglichkeit diese LEDs nach Aufbringung auf unseren Lampenträger, z.B. ein Aluminium-U-Profil (siehe Fotos unten) mit einem hochflüssigen, duchsichtigen Silikon (gibt es in guten LED-Shops in Tuben zu kaufen) zu vergie??en.
Als 2. und auch bessere Möglichkeit sehe ich persöhnlich die wasserfesten LED-Streifen (von IP 44 bis IP67) an. Diese sind direkt in einen Silikonstreifen vergossen und müssen nachher nur noch an den Schnitt-, bzw. Lötstellen wieder mit etwas Silikon verschlossen werden.
Beide Sorten Streifen haben aber als gemeinsamen Vorteil, das Sie sehr biegsam und flexibel sind, aber bitte nicht scharfkantig knicken. Ausserdem kann man Sie auf die passende Länge einfach abschneiden (meistens alle 3 LEDs / je 5cm) und Sie sich dank des ab Werk aufgebrachten doppelseitigen Klebebandes sehr einfach in unseren Lampen anbringen lassen.
Technische Daten:
Bei einem Abstrahlungswinkel von 90 Grad:
Farbe: warm wei??
Spannung: 12V DC
Strom:ca. 0, 5A /m
Breite: ca. 8mm
Höhe:ca. 2, 5mm
Anzahl LEDs: 60St./m
Abstrahlwinkel: 90 Grad
Farbtemperatur (Kelvin): 2400-3500K
Leuchtkraft: 1200-1500 mcd/LED
Leistung: ca. 4-5 Watt /m
Farbe: (kalt) wei??
Spannung: 12V DC
Strom:ca. 0, 5A /m
Breite: ca. 10mm
Höhe:ca. 2, 5mm
Anzahl LEDs: 60St./m
Abstrahlwinkel: 90 Grad
Farbtemperatur (Kelvin): 5000-6000K
Leuchtkraft: 1300-1600 mcd/LED
Leistung: ca. 4-5 Watt /m
Bei einem Abstrahlungswinkel von 120 Grad:
Farbe: warm weiss
Spannung: 12V DC
Strom:ca. 0, 5A /m
Breite: ca. 9mm
Höhe:ca. 2, 5mm
Anzahl LEDs: 60St./m
Abstrahlwinkel: 120 Grad
Farbtemperatur (Kelvin): 2400-3500K
Leuchtkraft: 1600-1800 mcd/LED
Leistung: ca. 4 - 5 Watt /m
Farbe: (kalt) weiss
Spannung: 12V DC
Strom:ca. 0, 5A /m
Breite: ca. 9mm
Höhe:ca. 2, 5mm
Anzahl LEDs: 60St./m
Abstrahlwinkel: 120 Grad
Farbtemperatur (Kelvin): 6000-7000K
Leuchtkraft: 1600-1800 mcd/LED
Leistung: ca. 4 - 5 Watt /m
Technische Daten RGB-Stripe:
Spannung: 12V DC / 1 x Plus & 3 x Minus auf R G B
Leistung: ca. 14W /m
Strom: ca. 600mA /m
Abstrahlwinkel: 120 Grad
Anzahl LEDs: 60St./m
Farben: RGB (Rot, Grün, Blau)
Länge: ab 5 cm
Breite: ca. 12 mm
Höhe: ca. 2, 5 mm
Erzeugbare Farben: ca. 65000, manche auch bis ca. 1, 7 Mio.
Anmerkung: Die Verbrauchsangabe bezieht sich immer auf SMD-LED-Stripes mit 60 LEDs/m, bei 30 LEDs/m halbiert sich die Leistungsaufnahme natürlich, allerdings halbiert sich auch die Lichtmenge, bei 120 LEDs/m verdoppelt sich Beides.
Um sich eine Lampe in LED-Technik zu bauen, benötigt man als weiteres Zubehör natürlich noch ein passendes 12V-Netzteil (od. halt 24V bei 24V-Stripes) in ausreichender Stärke (es sollte nach Möglichkeit immer ca. 10% mehr Leistung haben, als die angeschlossene LED-Leistung), bei Bedarf einen LED-Dimmer (natürlich zum Dimmen der Beleuchtung) und für RGB-LEDs natürlich einen RGB-Controller oder RGB-Dimmer für die Farbansteuerung. Für RGB-LEDs empfiehlt sich natürlich am besten ein Controller, der sich frei programmieren lässt, um einen vollen Tagesablauf zu simulieren. Bei RGB-LED-Stipes ist zu beachten, das die Farben einen gemeinsamen +-Pol benutzen und für R-G-B jeweils einen seperaten Minus.
Der Bau einer LED Lampe gestaltet sich eigentlich recht einfach, ich bevorzuge dafür gleich die wasserdichten weissen Stripes mit 120 LEDs/m bei 120 Grad Abstrahlwinkel und die RGB-Stripes mit 60 LEDs/m, das bringt eine Menge Licht. Ist es dann zu hell, kann man ja herunterdimmen.
Preislich gesehen liegt 1m der weissen 12V-LED-Stripes mit 60 LEDs/m bei etwa 20 ???, 1m der RGB Stripes kostet ca. 25 ???, hinzu kommen natürlich die Kosten für euer Trägerprofil (wenn nötig !!!), das Netzteil (12V/30W) liegt bei ca. 15 ???, wird mehr Leistung benötigt, natürlich mehr und evtl. die Kosten für den Dimmer oder Controller. Die Stripes mit 30 LEDs/m sind natürlich etwas günstiger, bei 120 LEDs ... Die LED-Stripes gibt es im Moment auf Rollen in einer Länge bis zu 5m, aber natürlich auch auf eure benötigten Längen konfektioniert.
Jetzt sollte man sich langsam mal Gedanken über die Lichtfarbe und Ausbeute in seinem Aquarium machen. Es können ja die unterschiedlichsten Kombinationen gemacht werden, z.B. wie unten auf den Bildern zu erkennen ist, einen 3-streifigen LED-Balken mit 3 kaltweissen, 3 warmweissen, oder natürlich einem gemischten Aufbau mit kalt- und warmweissen LEDs, oder benötige ich gar einen RGB-LED-Balken, der mir gleichzeitig meine Sonnenauf-, und Sonnenuntergänge, sowie vielleicht ein Mondlicht in Blau oder Grün in mein Aquarium zaubert, oder auch den gesammten Tagesablauf regelt. Der RGB-Stripe kann dabei tagsüber als "kaltwei??er" Stripe genutzt werden, denn die gleichzeitige Ansteuerung aller 3 Farben bewirkt ein wei??es Licht.
Man kann somit beliebig viele Streifen miteinander kombinieren, darf dabei aber niemals den Stromverbrauch au??er Acht lassen. Auch darf man die Längen der zu verschaltenden LED-Stripes nicht vernachlässigen, da die meisten Controller / Dimmer nur eine bestimmte Stromstärke bedienen können, also Achtung !!!
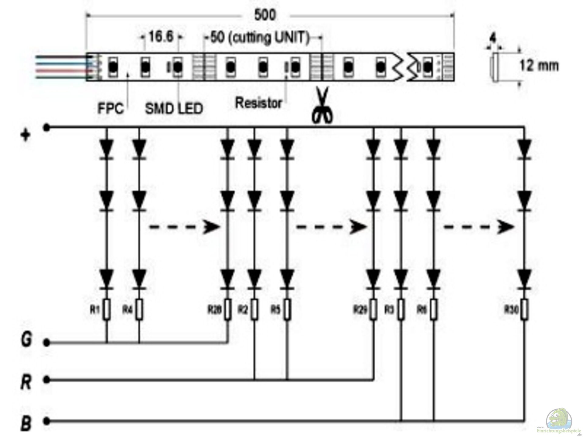
Wie schon etwas Höher angedeutet, können die Stripes mit einer Schere einfach auf Länge (alle 3 LEDs / 5cm) eingekürzt werden, dazu sind die Streifen an den Schnittstellen extra makiert. Diese Streifen klebe man dann mit dem schon ab Werk angebrachten doppelten Klebeband einfach in seine vielleicht schon vorhandene und evtl. leergeräumte Abdeckung ein, oder bringe Diese auf einem Alu- oder Kunststoffprofil von ausreichender Länge und Breite an. Diese Balken kann man dann nachher einfach auf den Glassteeg legen. Vorher bitte an den späteren Lötstellen das Silikon entfernen. Für einen weissen Streifen benötigt man ein Kabel mit 2 Polen, für einen RGB-Stripe benötigt man natürlich ein 4-pol. Kabel, am besten natürlich mit unterschiedlichen Aderfarben, oder auch Nummern. Jetzt kann man die Kabel mit den Streifen einfach wie auf den beiden unteren Schemazeichnungen zu sehen ist, miteinander verlöten. Wer nicht löten mag, oder kann, der kann sich auch fertig konfektionierte Kabel mit Steckern zum Anstecken besorgen. giebt es auch in jedem guten LED-Shop !!!
Und bitte beim Verschalten der einzelnen LED-Reihen miteinander, auf richtige Polung achten, da es sonst zum Totalausfall der LED-Stripes führen könnte. Benutzt man die nicht wasserdichten LEDs muss man das Ganze hinterher noch mit Silikon vergiessen, ansonsten nur noch die Schnittkanten und Lötstellen mit etwas durchsichtigem Silikon verschliessen und schon ist die Beleuchtung wieder wasserdicht. Diese Lampen sind so für Sü??- als auch für Seewasseraquarien geeignet.
Eine einfache wei??e, rote, gelbe oder auch blaue Beleuchtung kann jetzt schon entweder direkt an das Netzteil angeschlossen werden, welches natürlich weg von Wasser und Feuchtigkeit zu platzieren ist, oder es wird über einen zus. Dimmer an das Netzteil angeschlossen, um so die Beleuchtungsintensität einzustellen. Die Beleuchtungszeiten können dann ganz einfach über eine digitale Zeitschaltuhr gesteuert werden. RGB macht allerdings etwas mehr Aufwand.
Der RGB-LED-Controller:
Eine LED-Beleuchtung die Einzig und Allein aus wei??en oder auch aus einfarbigen LED-Stripes besteht, macht wenig Aufwand bei der Steuerung.
Schwieriger ist hier schon die Steuerung von sogenannten RGB-LED-Stripes.
Dazu bedarf es dann schon eines speziellen Dimmers, mit dem dann die einzelnen Farben von Hand oder Fernbedienung angesteuert und auch gedimmt werden könnten. Besser ist allerdings ein RGB-Controller der soetwas selbst steuern kann. Meiner Meinung machen für die Aquaristik aber nur die Controller wirklich Sinn, die man selber programmieren kann. Damit ist es dann relativ leicht einen Ablauf von Sonnenuntergang, Mondlicht, Sonnenaufgang zu erschaffen, nachdem die normale Tagesbeleuchtung zum Ende gekommen ist, oder besser man steuert gleich den gesammten Tagesverlauf.
Zum Beispiel: Frei Programmierbarer RGB Controller V7 ; Programmable RGB Controller V7 :
Diesen Controller (siehe Foto) gibt es zum Preis von knapp 50 ??? in guten LED-Shops. Er lässt sich ohne gro??e Vorkenntnisse und komplett ohne einen PC programmieren. Man hat damit die Möglichkeit Farben und Verläufe selbst zu generieren. Vor allem speicher der Controller das selbst erstellte Programm auch nach Ausschalten des Gerätes fest ab. Zudem liegt dem Gerät noch eine Funk-Fernbedienung bei, mit dem Es sich steuern lässt.
Anmerkung zum RGB-Controller V7: Bei diesem Tageslichtsimulator wird evtl. noch eine zus. Zeitschaltuhr benötigt, denn dieser Tageslichtsimulator kann einen verkürzten Tagesablauf aufweisen, auf Grund seiner fehlenden eingebauten Uhr und Fertigungstoleranzen bei seinen elektronischen Bauteilen.
Um diesen RGB-LED-Controller vollständig auf 24 Stunden zu bringen müssen Sie die Zeitschaltuhr wie hier beschrieben einsetzen:
Setzen Sie die Zeitschaltuhr genau dann ein, wenn Sie eine Lichtchtpause bei Ihrem Programm eingestellt haben, z.B. über Nacht, oder während einer Lichtpause über die Mittagszeit. Programmieren Sie die Zeitschaltuhr so das diese für den Zeitraum der Lichtpause den Tageslichtsimulator komplett vom Stromnetz trennt und passend zum nächsten Lichteinschaltpunkt den Strom für das Gerät wieder einschaltet, da die Programmierung am Ausschaltpunkt dann fortgesetzt, oder bei einem Programmende (z.b.: über Nacht) neu gestartet wird.
Technische Daten:
Arbeitstemperatur: -20 bis 60C
Spannung: 12V DC
Ausgang: 3 Kanäle (Rot, Grün, Blau)
Anschlussart RGB: gemeinsamer Pluspol
Max. Belastung: <4A je Kanal
Masse: L94mm x B59mm x H25mm
Max. Ausgangsleistung: 144W / 48W pro Kanal
Die Programmierung des Controllers:
Es können pro Programmschritt insgesamt 5 Parameter eingestellt werden:
1. Haltezeit, 2. Dimmzeit, 3. Farbe Rot, 4. Farbe Grün und 5. Farbe Blau.
Insgesammt sind 20 Programmschritte möglich, die Farben Rot, Grün und Blau lassen sich jeweils in 256 Stufen frei programmieren. Das Gerät verfügt insgesammt über 3 Beispielprogramme die das Erlernen der Programmierung vereinfachen sollen.
Der Controller lässt sich natürlich auch problemlos zu Steuerung von einfarbigen Stripes verwenden. Natürlich kann man aber auch die weissen LED-Reihen mit einer beliebigen Farbe koppeln und Diese dann zusammen mit RGB zu steuern.
Ansteuerung einer LED-Beleuchtung über einen Aquariencomputer, ala GHL:
Da sehr viele Leute für ihre Lichtsteuerung die Aquariencomputer der Fa. GHL benutzen, ist Dieser natürlich auch sehr interessant um eine LED-Beleuchtung zu steuern. Leider geben die dafür benötigten Schnittstellen nur 1-10V aus, was wohl zum Betreiben der hauseigenen Simu-LED-Balken reicht. ??ber einen kleinen Umweg ist es allerdings möglich eine selstgebaute LED-Beleuchtung zu Dimmen und auch RGB-Stripes zu betreiben.
Dieser Part des Blogs kann auch mittlerweile direkt durch 2 kleine Geräte der Fa. GHL abgedeckt werden, wovon der Erste allerdings nur für recht kleine Leistungen geeignet ist: Die beiden GHL LEDControl 4.
Der LEDControl 4aktiv ist zu einem Preis von ca. 60??? bereits erhältlich, hat aber nur eine Leistung von 55W an 18V (!!!). Das Gerät hat einen max. Strom von 3A pro Kanal, oder 3A in Summe für alle Kanäle, was bei einer Spannung von 12V nur "36W" für die LED-Lampen ergibt. Das bedeutet für uns, dass man für mehr Leistung entweder mehere dieser Geräte benötigt, dann natürlich pro LED-Farbe auch einen Lichtkanal am GHL (Bei 4 Farben R, G, B & W also 4 Kanäle, bei 2 dieser Gräte dann schon 8 Lichtkanäle). Besser ist es dann für 4 Kanäle auf das GHL-Gerät ohne den eingebauten 3A-Treiber auszuweichen und dann externe LED-Treiber zu verwenden. Das wir dann wohl die günstigere Lösung werden.
Die Selbstbauvariante, auch für höhere Lampenleistungen:
Um eine 12V (oder auch 24V, je nach Stripe) RGB-LED-Steuerung 4-kanalig (auch mehr wären problemlos möglich !!!) über die 1-10 Volt Schnittstellen des GHL (ginge wohl auch mit anderen Fabrikaten) zu realisieren wird zusätzlich zu unseren selbstgebauten LED-Balken ein 3 Kanal Dimmer für RGB und ein weiterer 1-Kanal-Dimmer 1-10V (z.B.: Fa. Barthelme LED Solutions aus Nürnberg, gibt es aber auch wohl von Osram) eingesetzt.
Technische Daten:
1x 3-Kanal Dimmer für RGB:
Artikel-Nr.: 66000120
Betriebsspannung: 10-24V DC (am Ausgang dann auch als Max.-Spannung)
Max. Strom pro Kanal: 5A
Ansteuerung: 3x 0-10V, aktive Spannung, oder 3 Potis über Hilfsspannung
Ma??e (LxBxH) in mm: 120 x 100 x 40 mm
1x Einkanal Dimmer 1-10V:
Artikel-Nr.: 66000166
Betriebsspannung: 12-24V DC
Max. Strom: 6A
Ansteuerung: 1-10V DC
Ma??e (LxBxH) in mm: 167 x 42 x 31 mm
So kann dann jede Farbe einzeln über einen der Dimmkanäle des GHL Profilux Aquariencomputer angesteuert werden. Es stehen damit alle Möglichkeiten des AQ-Computers in Verbindung mit der Sparsamkeit der LED-Technik zur Verfügung.
Sonderbeleuchtung wie Blitzsimulation und Sonnenauf- & Untergänge ganz leicht gezaubert mit RGB-LED-Stripes:
Mittels eines kleinen RGB-Controllers der Fa. Conrad und einem RGB-LED-Streifen lassen sich recht leicht Special-FX, wie z.B. eine Gewittersimulation oder auch eine Sonnenauf- und Untergangssimulation, realisieren.
RGB-Steuergerät für LED-Streifen MS-35:
Highlights & Details:
7 Festeffekte und 2 Sequenzen frei programmierbar
16, 7 Millionen Farbtöne erzeugbar
Ansteuerung optional über Tasten oder Fernbedienung
Sieben Sequenzen sind bereits vorprogrammiert, darunter sind auch die besagte Gewittersimu mit "Wetterleuchten" und der Sonnenauf- & Untergang, aber auch eine Kaminfeuersimulation für die "Romantiker" unter Euch, zwei weitere Programme können über die beiligende PC-Software frei programmiert werden, dazu wird aber eine Schnittstelle zum PC über dem VOLTCRAFT-USB Programmieradapter benötigt. ??ber den optional erhältlichen IR-Empfänger und eine Universal-Fernbedienung kann das Steuergerät fernbedient werden. Die Festprogramme können mittels Jumper angewählt werden, die Geschwindigkeit kann mit einem kleinen Poti noch verändert werden. Wird das Gerät dann mit Spannung versorgt (evtl. über eine digitale Schaltuhr) so starten dann die gewählten Effekte, oder eines der beiden frei programmierbaren Programme (51 Schritte können damit programiert werden). Einstellmöglichkeiten über die Software: Start der Sequenzen, Wahl der Geschwindigkeit und Helligkeit, programmieren eigener Sequenzen (Farbvorschau, Anteile R, G, B, Haltezeit der Farbe und ??berblendzeit zur nächsten Farbe).
Technische Daten:
Betriebsspannung: 12-24 V/DC
Leistung: (12-24 V) 3 x 5 A
Temperaturbereich: 0 - +65 °C
Abm. (B x H x T): 57 x 54 x 37 mm
Passend für RGB-LED-Streifen 12-24 V/DC (gemeinsamer +-Pol), flexibel oder starr
Weitere technische Daten:
Schutzklasse: IP 20
Max. Luftfeuchte: (Umgebung) RH 60 %
Einfach nur einen passenden RGB-Streifen und ein 12V-Netzteil an den Controller hängen und schon tobt ein Gewittersturm incl. Wetterleuchten über eurer Wasseroberfläche.
Das passende Netzteil für LED:
Das Netzteil sollte unbedingt die für die eingesetzten LED-Stripes benötigte Spannung (12V, od. 24V DC) aufweisen, ausserdem sollte es sich dabei in jedem Fall um ein elektronisches Netzteil handeln, da nur elektronische Netzteile, im Gegensatz zu den gewickelten Netzteilen, auch den Strom benötigen, den Sie selbst an die angeschlossenen LEDs abgeben. Wie schon weiter oben angedeutet solltes es ausserdem ein klein wenig mehr Leistung (etwa 10%) haben als die insgesammt angeschlossene Gesammtleistung (alle LED-Stripes + Controller + Netzteilelektronik).
Von Vorteil wären ausserdem folgende Funktionen:
??berlast-Strombegrenzung
Kurzschlussschutz
??berspannungsschutz
??bertemperaturschutz
Schutzgrad: wenn möglich Outdoor geeignet (möglichst IP65 od. 67)
Diese Funktionen dienen nämlich der Betriebssicherheit und verlängern ausserdem noch die Lebensdauer der LEDs.
Ausserdem sind Netzteile nach Effektivitätsklassen (in %) eingeteilt, je höher die Effektivität, um so sparsamer ist das Netzteil, kosten dann aber auch gleichzeitig ein Wenig mehr. Ein Netzteill mit nur 75-80 % Effektivität benötigt "etwas" mehr Strom für sich selbst, wie Eines mit ca. 92%.
Eine Wasserkühlung für LED-Lampen ???
Nach mittlerweile eigener Erfahrung wird eine LED-Lampe zwar bei Weitem nicht so warm/heiss wie eine Beleuchtung mit T5-/T8-Leuchtstofflampen, aber selbst die können noch Temperaturen von um die 45-50 Grad C erreichen, wenn Sie in eine geschlossene Abdeckung eingebaut werden. Diese Wärme verringert erstmal die Lebenszeit der LEDs und treibt den Stromverbrauch bei steigender Wärme wieder um ein paar Watt in die Höhe (habe ich selbst mit einem Energieverbrauchszähler feststellen müssen !!!). Eine 35Watt-LED-Lampe benötigt im kaltem Zustand Ihre 35 Watt und in warmen Zustand plötzlich ca. 41 Watt. Deshalb gibt es im Aquarien-LED-Bereich mittlerweile Firmen die auch eine Wasserkühlung für Ihre LED-Lampen anbieten. Damit ist es möglich die Temperatur der LEDs auf 25-30 Grad zu verringern und diese Wärme zum Heizen des AQs zu nutzen.
Auch eine eigene, zus. Wasserkühlung kann man recht einfach realisieren:
Für diese zus. Wasserkühlung benötigt man pro Leuchtbalken ein, der Länge und Breite des Alu-Us der LEDs angepasstes Aluminiumrohr, je 2 passende Kunststoffstopfen für die Enden, etwas Wärmeleitpaste (Computerbereich ???), etwas Aquariensilikon und je 2 passende Schlauchanschlüsse für den Wasseranschluss der Kühlpumpe, in den meisten Fällen wohl der Aquarienaussenfilter, oder eine zus. Wasserpumpe, welche dann aber auch wieder eigenen Stromverbrauch hat.
In das zus. Alurohr, welches möglichst die gesammte Länge und Breite der LED-Beleuchtung abdecken sollte, werden am Anfang und am Ende die beiden Schlauchanschlüsse eingearbeitet (am besten hineinbohren und ein passendes Gewinde hineinschneiden) und dann mit dem Aquariensilikon eingedichtet. Späne aus den Rohren natürlich vorher entfernen. Danach dann die beiden Enden mit den passenden Kunststoffstopfen und etwas Silikon abdichten. Jetzt noch die Wärmeleitpaste auf das Kasten-Profil dünn auftragen und an einigen Stellen etwas Silikon (Doppelklebeband würde wohl auch gehen; an diesen Stellen natürlich keine Wärmeleitpaste auftragen) und dann gegen das Alu-U der LED-Balken drücken. Jetzt noch einge Zeit trocknen lassen und fertig ist die eigene Wasserkühlung.
P.s.: Die Wärmeleitpaste dient eigentlich nur dem besseren thermischen ??bergang, es sollte aber auch gut Ohne ( dann nur mit Doppelklebeband oder etwas Silikon) funktionieren.
Das Ganze nur noch mittels einer eigenen Wasserpumpe oder besser noch des vorhandenen Aquarienfilters in den Wasserkreislauf des Aquariums einbringen. Jetzt werden die LEDs auf das Niveau des AQ-Wassers herabgekühlt (also meistens um die 24-26 Grad C), was die Stromaufnahme wieder senkt, die Lebenszeit der LEDs steigert und natürlich so gleichzeitig noch beim Beheizen des Aquariums (Wärmerückgewinnung) hilft, was auch wieder mal Energie einspart.
Ein neuer Trend in der Aquaristik, oder doch eher Kitsch ???
Mittlerweile bieten Firmen aus dem Aquarien-LED-Bereich auch beleuchtete AQ-Rückwände an, die man von Hinten an das Aquarium anbringt, anstelle einer 3D-Rückwand. Ich bin zwar nicht sicher, ob dieser Trend (???) sich durchsetzen wird, oder ob man so etwas in der Aquaristik überhaupt braucht, aber es wird sich sicher auch dafür eine Klientel finden lassen.
Diese Art von Lichtkästen ist eigentlich nichts Neues, es wurde halt mal wieder für uns Aquaristen angepasst.
Aber für die Leute die es dann doch benötigen, hier ein paar Tips dazu:
Als erstes benötigt man dafür einen Kasten (sog. Lichtkasten, oder auch Durchlichtkasten) von einigen Zentimetern Dicke, der der Grösse unserer Aquarienrückwand entspricht. Dieser kann mit etwas handwerklichem Geschick selbst leicht aus Holz oder einem Kunststoff hergestellt werden. Es sollte darauf geachtet werden, da er von innen weiss ist, von aussen kann er z.B. der Farbe des Aquarienschranks angepasst sein, ist also völlig egal. Da auch LED recht warm wird, sind natürlich auch Belüftungslöcher oder Schlitze in unsreem Gehäuse vorzusehen. In das Innere werden dann wieder unsere obligatorischen LED-Streifen aufgeklebt. Ich würde sagen die LED-Stripes sind am Besten an den 4 Rändern und 1-2 mal in der Mitte anzubringen, je nach Ausleuchtung. Möchte man hinterher die Farbe seinen Launen, oder vielleicht auch der Tageszeit anpassen können, so sollten dafür wieder unsere RGB-Stripes eingesetzt werden. Diese machen dann natürlich auch wieder den Einsatz des programmierbaren RGB-Controllers von Nöten. Sollte man nur einfach mal die Farben ändern wollen, reicht uns auch einer der vielen RGB-Controller, evtl. mit Fernbedienung (siehe Foto), die es mittlerweile überall zu kaufen gibt. So, der Clou bei der ganzen Sache ist natürlich jetzt der Folienhintergrund. Bei Diesem ist beim Kauf unbedingt darauf zu achten, das er nur von einer Seite bedruckt ist und die andere Seite einfach nur Weiss ist. Eine von beiden Seiten bedruckte Hintergrundfolie ist für diesen Zweck absolut ungeeignet, da natürlich dann auch beide Seiten durchleuchten, ausserdem sollte die Folie nicht zu dick dafür sein. Diese Folie wird dann von aussen einfach über die offene Seite (auf die Ränder) unseres Lichtkastens geklebt, besser wäre allerdings noch der Einsatz einer Plexiglasscheibe, wo die Folie dann komlett aufliegen kann. Nun muss der Lichtkasten eigentlich nur noch hinter dem Aquarium angebracht oder gestellt werden (auf genügend Platz hinter dem AQ achten !!!) und fertig is.
Achtung: Für inhaltliche Fehler in diesem Blog, oder etwaige Schäden die durch diesen Blog bei Anwendung entstehen könnten, übernehme ich keinerlei Haftung !!! Dieses Risiko trägt der Anwender selbst.
Infos zu den Updates:
12.05.2011: Foto hinzugefügt vom GHL LEDControl4Active und vom neuen 4-fach-Adapter zum Anschuss von 4 RGB-LED Lampen an den Tageslichtsimulator.
15.05.2011: 4 neue Fotos und Erklärung zu den Fotos hinzugefügt. Dem Text neue Anmerkungen und Erkenntnisse hinzugefügt.
27.05.2011: 1 neues Foto und Erklärung hinzugefügt.
06.06.2011 Infos zum GHL LEDControl4Active geändert.
08.06.2011 Info RGB-LED Amplifier samt Foto hinzugefügt.
29.01.2012: ??nderungen und Ergänzungen vorgenommen, Abhilfe für die Tagesverlaufungenauigkeiten des RGB-Controllers V7 hinzugefügt.
Infos zu den Bildern:
Bild 1: Aluprofil mir den 3 aufgebrachten SMD-LED-Stripes.
Bild 2: Deutlich sieht man die Unterschiede: Oben Cool-White, in der Mitte RGB und unten die Warm-White-Stripes.
Bild 3: Verdrahtungsplan zu den weissen, 2-poligen SMD-Stripes.
Bild 4: Verdrahtungsplan zu den 4-poligen SMD-RGB-Stripes.
Bild 5: Frei programmierbarer RGB-Controller V7, baugleich mit dem frei programmierbaren Tagelichtsimulator der Fa. Jansen.
Bild 6: Elektronisches Netzteil für den RGB-Controller oder den GHL LEDControl4Active.
Bild 7: RGB Controller MS-35 der Fa. Conrad Elektronik, mit Fernbedienung und Infrarot-Sensor, sowie Programierkabel über USB und Software.
Bild 8: GHL LEDControl4Active zum Anschluss unserer Selbstbaulampen, oder LED-Leuchtbalken der Fa. Jansen, Type Aqua Styl Light RGB, an einen GHL Profilux Aquariencomputer. Er steuert dann bis zu 4 Kanäle mit insgesammt 55W an 18V (!!!), bei unseren 12V sind es leider nur noch 36W Gesamtleistung. Ausserdem ein Adapter zum Anschluss von insgesamt 4 RGB-Leuchtbalken an den Tageslichtsimulator, oder die GHL-Controller.
Bild 9: Bei grösseren Liefermengen werden die SMD-LED-Stripes auf Spulen zu 5 Metern geliefert.
Bild 10: Ein weisser SMD-LED-Stripe. Deutlich sieht man die Schnittmakierung und die beiden Lötpunkte. Es handelt sich hierbei um einen selbstklebenden, wasserfesten Stripe.
Bild 11: SMD-RGB-Stripe, wasserfest.
Bild 12: SMD-RGB-Stripe, deutlich zu sehen die 4 Lötpunkte für das gemeinsame + und die 3 Minus-Pole für R, G, B.
Bild 13: Zubehör um den Lampenbau noch weiter zu vereinfachen, von Links nach Rechts: Klicksystem für RGB-LED-Stripes 4-polig, DIY Anschlu??stecker 2, 1mm m. Schraubklemmen, DIY Anschlu??buchse 2, 1mm, Klicksystem für SMD-LED-Stripes 2-polig. Mit den Klicksystemen fällt die Lötarbeit direkt an den LED-SMD-Stripes praktisch weg.
Bild 14: Ein sog. RGB Amplifier (Verstärker), oder auch RGB-Repeatergenannt. Dieser dient der Leistungssteigerung von LED-Beleuchtungen. Bei diesem Modell können dann noch einmal 3x4A (144W/12V)drangehängt werden, es wird dazu allerdings auch noch ein passendes Netzteil benötigt.
eine Frage zu diesem Controller, da ich so langsam am Verzweifeln bin. Ich bekomme einfach keinen 24h-Rhythmus hin.
Zunächst hatte ich, um Steps einzusparen nachts und tagsüber 2h Hold und 2h Change eingestellt. Habe dann festgestellt, dass der Change ignoriert wird, wenn im nachfolgenden Step die Werte gleich bleiben. Das habe ich nun alles geändert, also 2h Hold un 0h Change.
Meine Programmierung sieht nun folgendermaßen aus:
1) 0 - 2.00 (Mondlicht)
2) 2.00 - 4.00 (Mondlicht)
3) 4.00 - 5.00, Change (1h) bis 6.00 zu Morgenrot
4) 6.00 - 7.00, Change bis (2h) 9.00 zu Tag
5) 9.00 - 11.00, Change=0
6) 11.00 - 13.00, Change=0
7) 13.00 - 15.00, Change=0
8) 15.00 - 17.00, Change=0
9) 17.00 - 19.00, Change=0
10) 19.00 - 20.00, Change (1h) bis 21.00 zu Abendrot
11) 21.00 - 22.00, Change (1h) bis 23.00 zu Mondlicht
12) 23.00 - 0.00 Mondlicht, Change=0
So weit ich weiß, kann man an dem Controller ja keine Uhrzeit einstellen, oder hätte ich da etwas verpasst?
Also synchronisiere ich ihn einfach immer, indem ich z. B. gestern Abend um Punkt 19.00 ab Step 10 gestartet habe.
Um kurz nach 0.00 habe ich noch einmal kontrolliert, und es stand korrekt auf Step 1.
Heute früh habe ich allerdings um ca. 9.13 kontrolliert, und es stand auf Step 4 C statt auf 5 H!
Ich habe dann um ca. 9.50 noch einmal kontrolliert, nun stand es auf Step 5 H! Das Ding muss also zwischen den vollen Stunden geschalten haben, obwohl ich aussschließlich Schritte von 1 oder 2 h programmiert habe.
Also entweder dieser Controller ist defekt oder ich habe irgendwo einen Denkfehler. Ich würde mich freuen, wenn du irgendetwas dazu sagen könntest.
Gruß;
-Peter
Weitere Kommentare lesen


















