Lebens(t)räume für Menschen, Tiere & Pflanzen
Gestaltungsbeispiele für naturnahe Lebensräume
Neu
Login
Aquarien
Afrikanische Biotope
Malawisee
Tanganjikasee
Westafrika und Zentralafrika
Victoriasee
Amerikanische Biotope
Südamerika
Mittelamerika
Nordamerika
Asiatische Biotope
Asien und Australien
Gesellschaftsaquarien
Klassische Gesellschaftsbecken
Ostafrika
Amerika
Nach Salzgehalt
Meerwasseraquarien
Süßwasseraquarien
Sonstige
Aquascaping
Wirbellosenbecken
Nanoaquarien
Großaquarien
Sonstige
Aquarium Tipps
Grundlagen der Aquaristik
Grundlagenwissen
Einrichtungstipps
Infos zum laufenden Betrieb
Das Aquarium
Die Aquaristik
Besatzplaner
Aquarium-Besatzplaner
Artikel
Artikel zur Aquaristik
Verzeichnisse
Zierfische
Zierfischgattungen und -Gruppen
Pflanzen
Wirbellose
Anemonen und Korallen
Amphibien
Dekoration
Hersteller
Produkte
Onlineshops
Biotope und Herkunftsgebiete
Gärten und Teiche
Gärten
Alle Gärten
Bauerngarten
Mediterraner Garten
Japanischer Garten
Ziergarten
Naturgarten
Trockengarten
Kräutergarten
Gemüsegarten
Schrebergarten
Balkongarten
Dachgarten
Urbaner Garten
Gemeinschaftsgarten
Gartenteiche
Alle Teiche
Folienteich
Kunststoffteich
Indoorteich
Naturteich
Schwimmteich
Betonteich
Infos
Tiere in Garten und Teich
Teich- und Gartenpflanzen
Artikel zu Garten und Teich
Terrarien
Terrariumformen
Aquaterrarium
Waldterrarium
Regenwaldterrarium
Trockenterrarium
Freilandterrarium
Formicarium
Insektarium
Terrarium-Infos
Terrarium-Tiere
Terrarium-Pflanzen
Artikel
Artikel zur Terraristik
Infos
Beiträge
Artikel
Interviews
Tagebucheinträge
Blogs
Galerien
Bildersuche
Fotos
Videos
Übersichtsseiten
Themenseiten
Wettbewerbe
Beispiel des Monats
Beispiel des Jahres
Marktplatz
Rubriken
Aquaristik
Terraristik
Teich
Marktplatz
Neue Anzeigen
Profianbieter
Infos
Tarife
Inserieren
Anbieter-Infos
Vereine
Wir werden unterstützt von:
Du bist hier:
Startseite
>
Aquarien
>
Wirbellose
>
Das Wirbellosen- und Guppybecken von timme
>
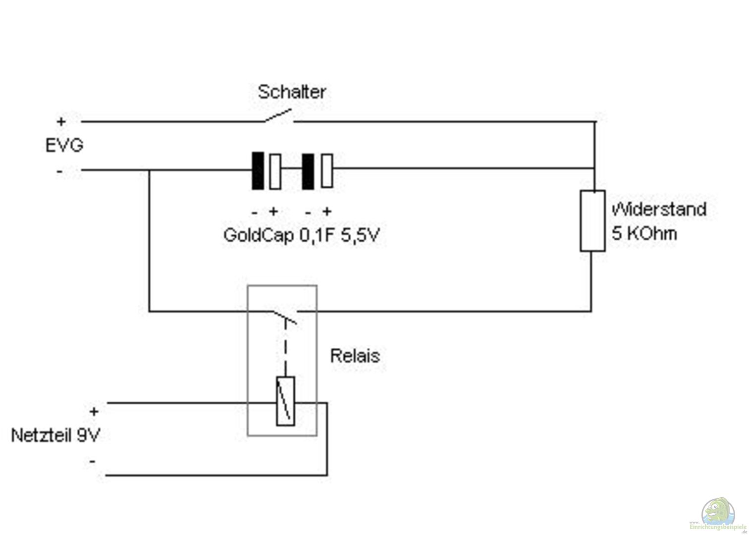
Schaltplan für eine selbstgebaute Dimmsteuerung
Schaltplan für eine selbstgebaute Dimmsteuerung von timme (26)
Technikbild aus dem Einrichtungsbeispiel 'Das Wirbellosen- und Guppybecken'
Vorheriges Bild
Nächstes Bild
- 100W Regelheizer - Bio-CO² mit zwei Gärbehältern, Waschflasche und Paffrathschale
Das Einrichtungsbeispiel
Das Wirbellosen- und Guppybecken
Wirbellose
timme
98 Liter
36
27.03.2011
9.8