
Blog: Info zum AQ (4646) von borellii
Dies ist mein zweites AQ nach meinem Neustart 2008.
Das erste Becken, ein Deltabecken mit gebogener Frontscheibe, ist geplatzt. Die totale Katastrophe, mit allem drum und dran. Ursache war nach Aussage der Gutachter und persönlicher Meinung Spannung durch einen instabilen Unterschrank. AQ und Schrank waren beide vom gleichen Hersteller ???Aquatec-Pausa???. Es bestand noch Garantie, aber der Hersteller wiegelt ab. Zum Glück konnte alles über die Versicherung geregelt werden.
Jetzt der Neuanfang.
Neues AQ mit gleichem Volumen, aber dieses mal kein Deltabecken. Es ist eine Sonderbestellung beim Zoogeschäft meines Vertrauens.
Zu den Details:
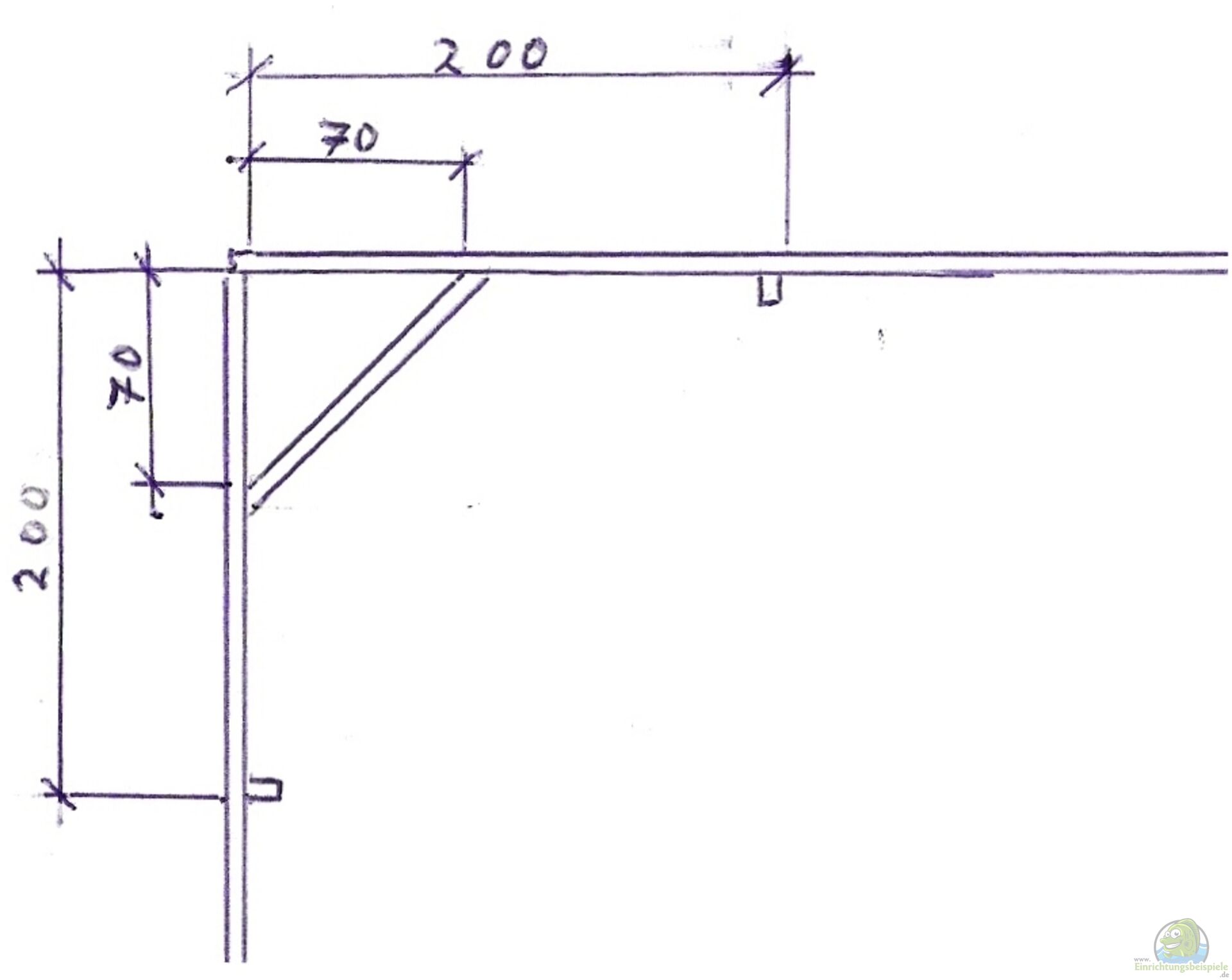
Das Becken habe ich mit einem Versorgungsschacht für diverse Leitungen und Glasstreifen für einen Eck-HMF ausstatten lassen(siehe Skizze). Der Unterschrank und die Abdeckung waren inklusive.
Als Beleuchtung habe ich zwei RGB+Wei??-LED Lampen mit Wasserkühlung von Lum-Light. Die Wasserkühlung hat den Vorteil, dass dadurch die LED"s eine längere Lebensdauer haben und gleichzeitig die Heizung um ca. zwei Grad unterstützt wird.
Geregelt wird die Beleuchtung durch einen Tageslichtsimulator. Die Beleuchtungsdauer beträgt 12h mit Sonnenaufgang, Sonnenuntergang und Nachts Mondlicht.
So viel zu der technischen Grundausstattung.





