Controller für TUNZE TURBELLE electronic preiswert selbstgemacht
Hallo,
ich habe auf der Seite
http://www.matuta.com/include.php?path=content/articles.php&contentid=558&PHPKITSID=a6e3cbec34b7de1fed3a7d6b03a6292c
eine Anleitung gefunden, wie man mit sehr wenigen Teilen, einer Zeitschaltuhr und zweier Pumpen eine Ebbe- Flut- Steuerung bauen kann.
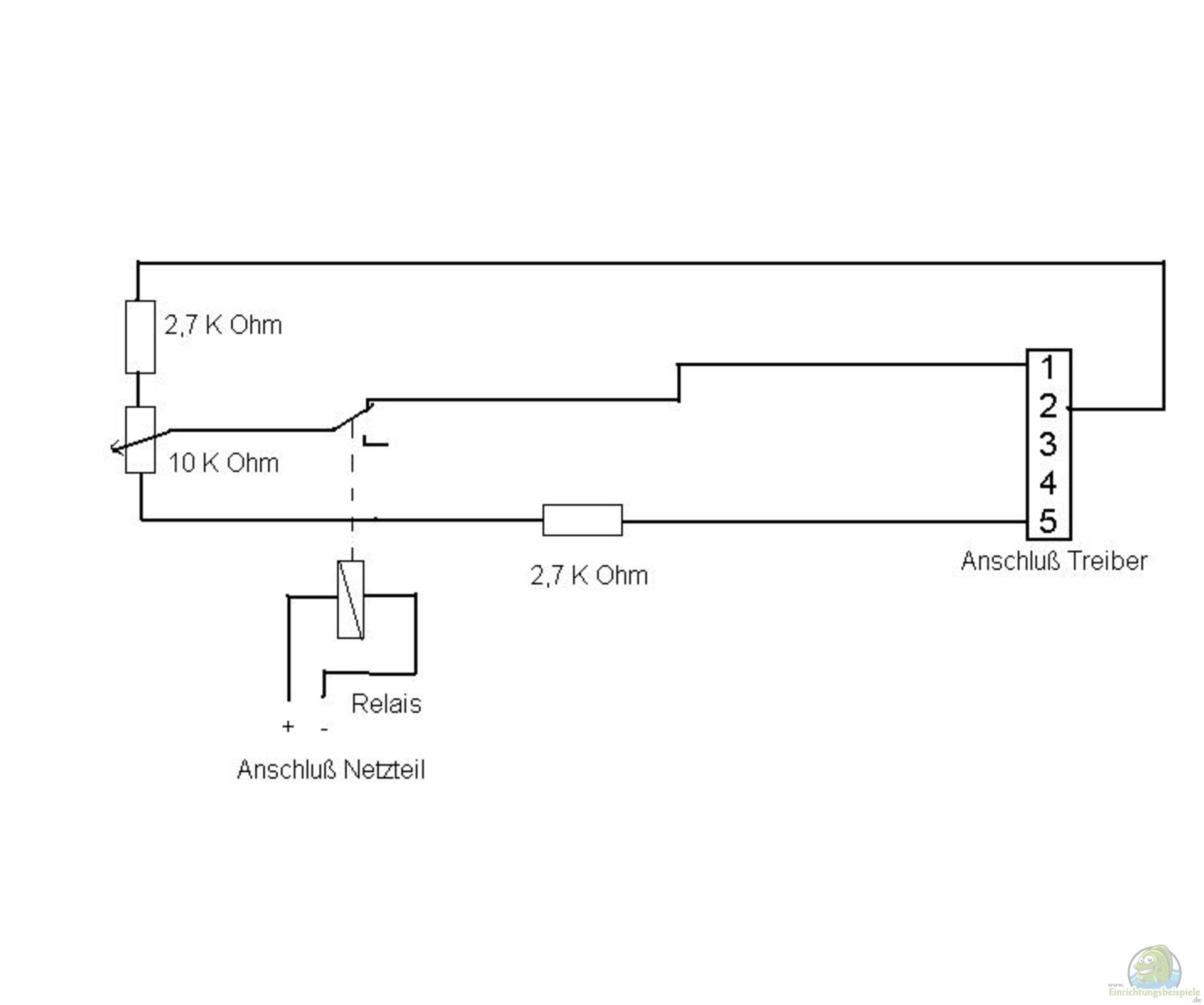
Da ich nur eine Pumpe habe und auch nur diese eine benötige, habe ich den Plan etwas verändert, halbiert sozusagen.
Man benötigt lediglich ein Steckernetzteil (von einem alten Walkman z.B.), ein Relais, zwei 2, 7 KOhm Widerstände, ein 10 kOhm Potentiometer und einen DIN-Stecker 5-polig.
Man kommt auf keine 5??? Gesammtkosten (ich habe garnichts bezahlt, da alles in der Bastelkiste vorhanden war) zuzüglich der Zeitschaltuhr.
Funktionsweise:
??ber das Poti kann man die "Ebbe-Strömungs-Geschwindigkeit" einstellen. Je kleiner der Widerstand wird, so geringer wird die Strömung. Ist das Relais inaktiv, läuft die Pumpe mit der Leistung, wie sie am Treiber eingestellt ist.
Hinweis: Fa. Tunze sagt ausdrücklich: "Der Anschluss an Fremdgeräte, z.B. elektronische Schalter oder Drehzahlsteuergeräte ist unzulässig."
Für Schäden jedweder Art die durch die Umsetzung des Bauplans entstehen, übernehme ich keinerlei Verantwortung!
Gru??, Tim





